设为首页
收藏本站
登录
注册
搜索
本版
帖子
用户
DF创客社区
论坛
造物记
DF创客商城
产品资料库
每日签到
首页
>
论坛
›
ESP32
ESP32
+关注
已有 27 人关注
发表新帖
ESP32中文论坛,汇集ESP32.ESP8266.Micropython相关资料,教程和最新资讯,帮你快速学习ESP32.交流观点及分享创造的乐趣。
今日:
0
|
主题:
959
|
排名:
7
收藏本版
(
27
)
|
订阅
全部分类
ESP8266/ESP32
Micropython
项目
讨论
uPyCraft IDE
ESP32系列教程
MP动手做
最新
|
精华
|
图片
|
显示置顶
隐藏置顶帖
[
ESP32系列教程
]
【ESP32,ESP8266】教程/项目汇总(2023.10.26更新)
...
2
luna
@
2018-10-31
171881
31
43uu6gso
@
2025-8-1 09:27
隐藏置顶帖
[
uPyCraft IDE
]
什么是MicroPyhthon?uPyCraft IDE编辑器
KIKIYA
@
2020-2-17
17828
14
esp32cam
@
2024-10-13 10:24
隐藏置顶帖
[
ESP32系列教程
]
esp32/esp8266 精华项目汇总
luna
@
2019-3-20
35115
2
娜娜2012
@
2021-6-25 19:43
版块主题
[
ESP8266/ESP32
]
ESP32桌面天气时钟小电视保姆级教程——基于Beetle ESP32-C3
豆爸
@
2023-6-5
28051
12
匿名
@
昨天 10:43
[
ESP8266/ESP32
]
ESP32 P4跑ESP CLAW及与PycoClaw的比较
仔爸
@
2026-5-5
287
1
驴友花雕
@
2026-5-6 20:33
[
ESP8266/ESP32
]
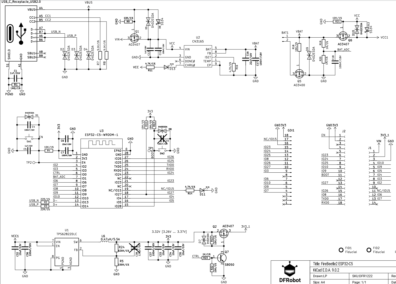
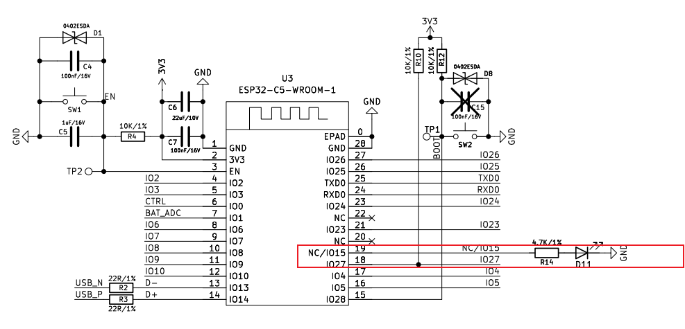
基于FireBeetle 2 ESP32-C5智能植物光照系统—物联网农业实践
星星老师
@
2025-10-9
1834
3
星星老师
@
2026-4-27 15:34
[
ESP8266/ESP32
]
基于ESP32的邮件发送器Outlook版
天眼FAST
@
2026-4-26
208
0
天眼FAST
@
2026-4-26 16:22
[
ESP8266/ESP32
]
FireBeetle 2 ESP32 P4跑pycoClaw:聊天就可以控制硬件
仔爸
@
2026-4-25
413
0
仔爸
@
2026-4-25 22:05
[
ESP8266/ESP32
]
DFRobot ESP32-P4跑乐鑫ESP-CLAW,聊天造物易上手
PY学习笔记
@
2026-4-25
753
0
PY学习笔记
@
2026-4-25 15:01
[
ESP8266/ESP32
]
DFRobot FireBeetle 2 ESP32-P4 电子工牌服务端实现
HonestQiao
@
2026-4-22
529
0
HonestQiao
@
2026-4-23 21:41
[
ESP8266/ESP32
]
首发|EmbedClawK10运行在行空板K10上的小龙虾
...
2
汤半泛
@
2026-4-15
1939
25
驴友花雕
@
2026-4-22 10:38
[
项目
]
【MimiClaw 嵌入式 AI Agent】ESP32-S3 从零搭建多端互联智能体
驴友花雕
@
2026-4-20
409
12
驴友花雕
@
2026-4-20 18:15
[
ESP8266/ESP32
]
【花雕动手做】尝试在ESP32S3上养龙虾26天发学习博客36篇
驴友花雕
@
2026-4-20
536
2
驴友花雕
@
2026-4-20 09:48
[
Micropython
]
强强联合:ESP32-P4 × LVGL × MicroPython × ESP-DL
PY学习笔记
@
2026-4-19
276
0
PY学习笔记
@
2026-4-19 11:32
[
ESP8266/ESP32
]
用FireBeetle 2 ESP32 P4跑一下YOLO11目标检测
aramy
@
2026-4-16
508
0
aramy
@
2026-4-16 15:33
[
项目
]
【花雕】ESP32-S3 部署小龙虾 MimiClaw 完整流程+避坑指南
驴友花雕
@
2026-4-16
795
14
驴友花雕
@
2026-4-16 12:28
[
ESP8266/ESP32
]
ESP32-S3 AI 边缘智能测试项目之夜间卧室老人摔倒检测
KKKKK
@
2025-5-2
5220
2
暴躁老登大战奥特曼
@
2026-4-12 22:09
[
Micropython
]
DFRobot ESP32-P4开发板玩转LVGL Micropython
PY学习笔记
@
2026-4-11
419
0
PY学习笔记
@
2026-4-11 15:43
[
ESP8266/ESP32
]
小智MCP-ESP32客户端mind+图形库重磅发布测试版
麦壳maikemaker
@
2025-8-20
3748
8
辰安呀
@
2026-4-11 13:06
[
ESP8266/ESP32
]
用FireBeetle 2 ESP32 P4做个环境噪音检测器
aramy
@
2026-4-10
420
0
aramy
@
2026-4-10 11:01
下一页 »
1
2
3
4
5
6
7
8
9
10
... 48
/ 48 页
下一页
快速发帖
选择主题分类
ESP8266/ESP32
Micropython
项目
讨论
MP动手做
还可输入
80
个字符
高级模式
B
Color
Image
Link
Quote
Code
Smilies
您需要登录后才可以发帖
登录
|
立即注册
本版积分规则
发表帖子
转播给听众
点击登录
DF创客社区
或者
微信登录
注册
热门版块
Arduino
机器人
3D打印
教程
micro:bit
创客活动
创意生活
树莓派
推荐阅读
Arduino相关选型指南汇总
micro:bit教程微课资源
Arduino入门教程汇总
精华导读
相关内容
小智接入coze 实现智能体自由
[行空板 K10 + ESP-Claw]:打造主
Arduino教程02 做一个S.O.S求救信
【行空板K10+小智MCP】融合环境感
行空板K10适配ESP CLAW —从被动响
行空智能故事机:行空板K10与Kimi
关于在项目中应用AI智能体及coze工
智能家居“纸质”面板、不用联网就
AI画像打印机:基于行空板M10与二
ESP32 P4跑ESP CLAW及与PycoClaw的
行空板K10 + 二哈识图 2 给脊柱请
把 Claude 的愚人节彩蛋跑在 行空
行空板K10调用Claude Buddy桌面宠
智能农场信息监测站
【行空板K10基础入门教程】第07课:
DFRobot 2025 AI 新品发布会!
下载安装Betaflight地面站
空调关关
FireBeetle 2 ESP32 P4跑pycoClaw:
用真空吸力做的七段显示屏、3D 打
DFRobot ESP32-P4跑乐鑫ESP-CLAW,
行空板K10 + PlatformIO + Trae ID
steam科学教育学科探究学习资料干
Mind+图形化编程中行空板k10使用De
[Mind+]使用图形化编程实现主控板
DFRobot FireBeetle 2 ESP32-P4 电
行空板M10实现百度语音和讯飞语音
首发|EmbedClawK10运行在行空板K1
识别月相赋诗词——Mind+2.0&行空
如何制作高质量的数据集?—— 一
发现
英文网站
创客嘉年华
蘑菇云科创教育
新进展
公司新闻
媒体报道
购买渠道
DF创客商城
JD京东
淘宝
零售店
关于DFRobot
关于我们
招募精英
联系我们
DF创客社区网站地图
上海智位机器人股份有限公司
沪ICP备09038501号-4
沪公网安备31011502402448
© 2013-2026
Comsenz Inc.
Powered by
Discuz!
X3.4
Licensed