2025-10-13 14:38:36 [显示全部楼层]
776浏览
查看: 776|回复: 0

[ESP8266/ESP32] 【FireBeetle 2 ESP32-C5】 Windows平台编译点灯

[复制链接]
上次原计划搭建Windows平台的idf环境,结果死活搞不定烧录阶段,就直接烧录了现成的micropython。后来想想又来试试,试试就试试。
还是基于git下的v5.5-ec01分支代码。
【FireBeetle 2 ESP32-C5】 Windows平台编译点灯图1
把v5.5-ec01分支代码components文件夹替换到安装esp-idf-tools-setup-offline-5.5.exe后的Espressif\frameworks\esp-idf-v5.5\components,解决sdk回退问题,就是下图这样的结果。
【FireBeetle 2 ESP32-C5】 Windows平台编译点灯图3

代码组合好后,剩下的就是配置新品型号为esp32c5了,命令见下图
【FireBeetle 2 ESP32-C5】 Windows平台编译点灯图2
再下一步就是编译了,编译的当然就是get-start里面的helloworld demo工程了。
【FireBeetle 2 ESP32-C5】 Windows平台编译点灯图7
【FireBeetle 2 ESP32-C5】 Windows平台编译点灯图4
最后成功烧录,嗯,竟然顺利的出乎意料。可我明明记得之前就不行的,也许是在这之前烧录了micropython,更新的bootloader吧。
【FireBeetle 2 ESP32-C5】 Windows平台编译点灯图5

烧录镜像运行如下,确实是helloworld。
【FireBeetle 2 ESP32-C5】 Windows平台编译点灯图6


既然Windows环境目前没有发现问题,下部就点灯吧。
不得不吐槽一下,这个编译环境对离线环境的不友好,经常需要联网更新代码,也许是我操作不当吧。
【FireBeetle 2 ESP32-C5】 Windows平台编译点灯图8

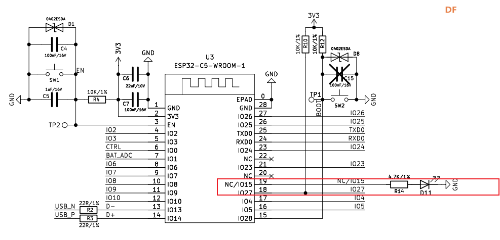
首先在原理图上找到开发板上指示灯的引脚是15,就是那个绿色的灯。
【FireBeetle 2 ESP32-C5】 Windows平台编译点灯图12
需要menuconfig一下,更新一下编译配置,也可在代码修改,这边就走开发文档的流程了。
【FireBeetle 2 ESP32-C5】 Windows平台编译点灯图10

【FireBeetle 2 ESP32-C5】 Windows平台编译点灯图9
直接修改编译会发现指示灯依旧未能如期闪烁,就把代码改了,都丢到while(1)里面了,代码如下。

【FireBeetle 2 ESP32-C5】 Windows平台编译点灯图11

顺便把代码贴一下
  1. void app_main(void)
  2. {
  3.         ESP_LOGI(TAG, "Configuring GPIO%d as output with pull-up!", BLINK_GPIO);
  4.     /* Reset the GPIO pin */
  5.     gpio_reset_pin(BLINK_GPIO);
  6.     /* Configure GPIO as output with pull-up */
  7.     gpio_config_t io_conf = {
  8.         .intr_type = GPIO_INTR_DISABLE,
  9.         .mode = GPIO_MODE_OUTPUT,
  10.         .pin_bit_mask = (1ULL << BLINK_GPIO),
  11.         .pull_down_en = GPIO_PULLDOWN_DISABLE,
  12.         .pull_up_en = GPIO_PULLUP_ENABLE,
  13.     };
  14.     gpio_config(&io_conf);
  15.     /* Set initial state to LOW */
  16.     gpio_set_level(BLINK_GPIO, 0);
  17.        
  18.         while (1)
  19.     {
  20.         ESP_LOGI(TAG, "Turning the LED %s!", s_led_state ? "ON" : "OFF");
  21.         s_led_state = !s_led_state;
  22.                 gpio_set_level(BLINK_GPIO, s_led_state);
  23.         vTaskDelay(1000 / portTICK_PERIOD_MS); // 1 second delay
  24.     }
  25. }
复制代码


OK,烧录后绿色的灯就闪烁了,无图无真相。

您需要登录后才可以回帖 登录 | 立即注册

本版积分规则

为本项目制作心愿单
购买心愿单
心愿单 编辑
[[wsData.name]]

硬件清单

  • [[d.name]]
btnicon
我也要做!
点击进入购买页面
上海智位机器人股份有限公司 沪ICP备09038501号-4 备案 沪公网安备31011502402448

© 2013-2026 Comsenz Inc. Powered by Discuz! X3.4 Licensed

mail