|
1381| 0
|
LattePanda MU载板设计指南 |

|
LattePanda MU载板设计指南 LattePanda Mu 载板设计指南系列|前言 我们刚刚发布了 第一节:前言与基础指南,帮你快速了解 Mu 计算模块、引脚布局、HSIO 多路复用以及高速 PCB 设计要点。 前言 本指南旨在为硬件工程师提供关键的设计规则和建议,帮助你更高效地动手设计。 注意:只适用于搭载 Intel N100 或 N305 处理器 的 LattePanda Mu 计算模块。 引脚说明 LattePanda Mu 的边缘连接器密度高、功能多,我们把详细引脚介绍放在了单独文档里。 HSIO 多路复用 Mu 的高速 I/O 通道很灵活,但配置要注意:
PCB 设计要点
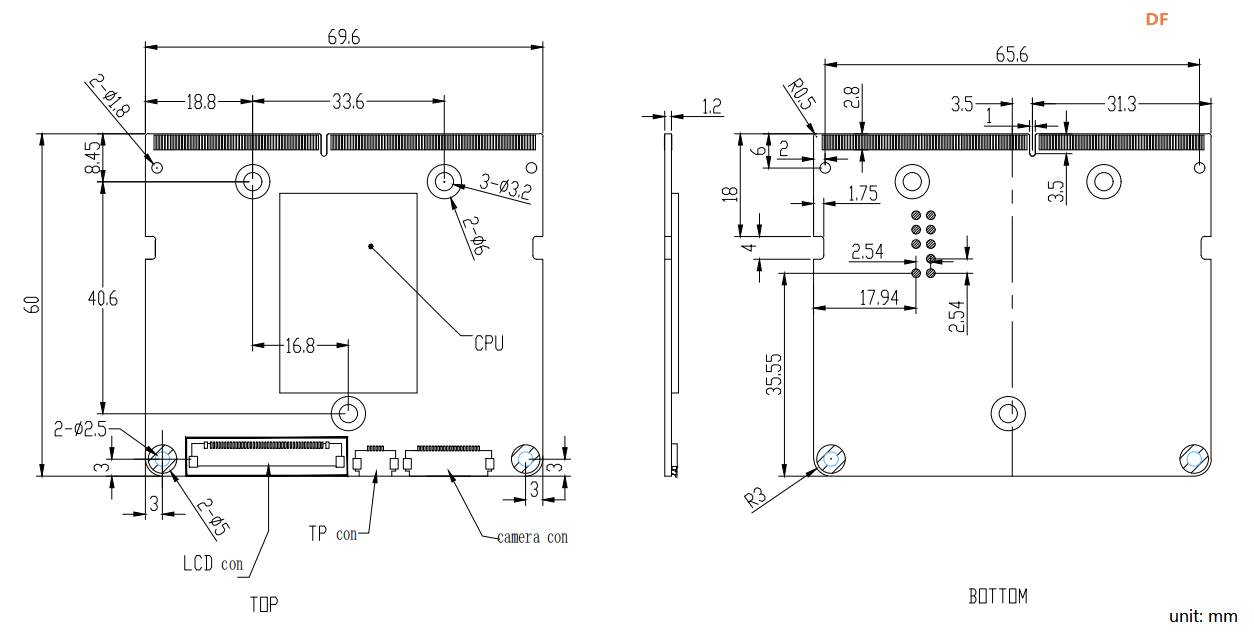
点此查看 LattePanda Mu 载板设计指南系列|边缘连接器 这一节我们聚焦 边缘连接器,教你如何正确选择和安装 DDR4 SODIMM 插槽,让 Mu 模块与载板完美契合。 LattePanda Mu x86 计算模块采用 260 针边缘连接器,在物理上兼容标准笔记本 DDR4 SODIMM 内存插槽。 引脚说明 由于 LattePanda Mu 计算模块具有高密度边缘连接器和多功能引脚定义,我们将详细引脚说明整理到 LattePanda Mu 引脚文档 中。 机械规格 ![]()
插槽选择指南 虽然 Mu 模块兼容标准 DDR4 插槽,但为了确保机械和电气匹配,需要严格遵守以下规则: 关键规则
![]()
![]() 可焊支撑柱选择 ![]() 将 LattePanda Mu 插入 SODIMM 插槽后,必须使用螺丝和垫片将其固定到载板上。载板上的垫片高度必须与 SODIMM 插槽高度相匹配,以确保计算模块平整安装 ![]()
在 DFR1142 Lite 载板 上,DDR4 插槽高度为 8.0mm,因此支撑柱高度为 5.5mm,固定螺丝直径为 2mm。 ![]() LattePanda Mu 载板设计指南系列|电源 本节聚焦电源,包括电压范围、引脚连接以及功率余量规划,确保你的载板在各种应用场景下都能稳定运行。 LattePanda Mu x86 计算模块采用宽电压输入设计。为确保系统稳定运行,请严格遵循以下电源设计规范。 电压要求 ![]() 在不使用 eDP 显示屏的情况下,为获得最佳兼容性和安全性,强烈建议将输入电压保持在 9V–20V 之间。 使用 eDP 显示屏时,最大供电电压将受 eDP 屏本身限制。 在 LattePanda Mu 计算模块的硬件设计中,eDP 显示屏转换器的电源直接连接到系统主电源轨,中间没有任何降压电路。 因此,如果你的设计中包含连接到 LattePanda Mu 的 eDP 显示屏,整个系统允许的最大输入电压将由 eDP 显示屏转换器的最大输入电压决定。 连接指南 引脚定义 ![]() 由于 GND 引脚数量较多,此处不逐一列出,请参考 LattePanda Mu 引脚文档。 引脚连接方式 为降低阻抗并支持大电流:
功率预算 电源设计必须预留足够的功率余量。在不包含载板外设功耗(如高功率 USB 设备、PCIe 扩展卡等)的情况下,使用默认 BIOS 固件时,计算模块本身的最低功耗需求为:
以上数值为最低要求,可能会对性能产生影响。 LattePanda Mu 载板设计指南系列|Dual BIOS 本节聚焦 Dual BIOS 机制,介绍如何通过 BIOS_SEL 引脚在模块内置 Flash 与载板外部 Flash 之间切换启动源,从而实现更灵活的 BIOS 定制与调试。 LattePanda Mu 支持 双 BIOS 启动模式,可通过 BIOS_SEL 引脚的逻辑电平 选择启动源(计算模块内置 Flash 或载板上的外部 Flash)。 当 BIOS_SEL 引脚被拉低 时,LattePanda Mu 计算模块将绕过内部 Flash 芯片,从载板上的 SPI Flash 芯片启动。 该特性允许你将 定制 BIOS 固件 直接烧录到载板的 Flash 芯片中,而无需修改计算模块本身的 BIOS。 设计指南 引脚定义 ![]() 启动源选择配置 ![]() BIOS_SEL 引脚内部集成 100K 上拉电阻。如果不需要使用载板 BIOS,该引脚可 悬空(NC),系统将默认从计算模块内置 Flash 启动。 ![]() 器件选型 ![]() 上电时序 ![]()
启动选择电路 利用 BIOS_SEL 引脚内部的上拉电阻,可简化载板设计:
连接方式:
状态说明:
串联电阻 Intel 参考设计建议在 SPI 信号线上加入串联电阻(CLK、IO0~IO3):
布局指南 ![]() LattePanda Mu 载板设计指南系列|电源控制与电源状态 本节聚焦电源控制与电源状态,介绍 LattePanda Mu 的电源状态指示与电源/复位控制信号,帮助你正确实现系统上电、关机、休眠状态管理及外设联动控制。 状态指示 LattePanda Mu x86 计算模块提供 PSON 和 SLP_S4 两个状态输出引脚,用于指示当前系统的电源状态(如 S0、S3 等)。这些引脚可用于控制载板外设的电源使能信号,或驱动状态指示 LED。 引脚定义 ![]() 由于 PSON 和 SLP_S4 引脚的驱动能力有限,如需驱动 LED 指示灯,必须使用外部 NMOS 管进行驱动。 状态逻辑表 ![]() 电源控制 LattePanda Mu x86 计算模块提供 电源键和复位键信号,其工作方式与标准笔记本或台式机完全一致。 引脚定义 ![]() PWR_SW# 连接物理电源按键,低电平有效 建议低电平脉冲时间 ≥ 125ms,以确保可靠识别 持续拉低 超过 4 秒 将触发强制关机 RST_SW#
ESD 保护 由于按键经常被人触摸,容易受到静电放电(ESD)影响,强烈建议在按键电路中增加 ESD 保护二极管。
常见问题 ![]() LattePanda Mu 载板设计指南系列|USB 2.0 本节聚焦 USB 2.0 接口设计,介绍 LattePanda Mu 提供的多路 USB 2.0 通道配置、引脚定义及布线与 ESD 设计要点,帮助你实现稳定可靠的 USB 外设连接。 LattePanda Mu 最多提供 8 路独立的 USB 2.0 通道。
设计指南 引脚定义 ![]() ![]() USB2_P6 使用限制 默认 BIOS 中,USB2_P6 被专门配置为 USB Type-C 端口使用。因此,在默认 BIOS 条件下,USB2_P6 不能直接作为标准 Type-A USB 2.0 端口使用。 如需将 USB2_P6 用作普通 Type-A USB 2.0 端口,必须使用定制 BIOS 固件。 极性检查 ![]() USB 2.0 控制器 不支持差分对极性自动反转。
不使用 AC 耦合 禁止 在 USB 2.0 差分线上串联 AC 耦合电容。USB 2.0 信号必须直连。 ESD 保护 由于 USB 接口经常进行热插拔,极易受到静电放电(ESD)影响,强烈建议在数据线上添加 ESD 保护二极管。 推荐参数:
布局指南 ![]() LattePanda Mu 载板设计指南系列|USB 3.2 Gen 2 本节介绍 USB 3.2 Gen 2 接口设计,重点说明 HSIO 通道复用规则、BIOS 配置限制以及 10Gbps 高速信号在 AC 耦合、ESD 防护与布线上的关键设计要点。 LattePanda Mu x86 计算模块通过 HSIO(High Speed I/O)通道最多可引出 4 条 USB 3.2 Gen 2 通道,最高支持 10Gbps 的全双工传输速率,并向下兼容 USB 3.0(5Gbps)。 通道配置 ![]() USB 3.2 信号仅能从 HSIO0 ~ HSIO3 通道中复用。 默认 BIOS 配置中:HSIO 0 和 HSIO 1 已启用为 USB 3.2 通道。 ![]() 注意
设计指南 引脚定义 ![]() AC 耦合 注意
设计要求
![]() 极性检查 Intel 的参考设计文档未明确确认 USB 3.2 差分对是否支持极性反转。因此,载板设计中应严格保持差分对极性一致(如上图所示)。 配对要求 标准 USB 3.2 Type-A 接口由两部分组成:
配对规则
USB2_P6 限制说明 如 USB 2.0 章节所述:USB2_P6 默认保留用于 USB Type-C 接口,在未修改 BIOS 的情况下,不能作为 USB 3.2 接口的 USB 2.0 配对通道使用 ESD 防护 USB 接口频繁热插拔,极易受到静电放电(ESD)影响;同时 USB 3.2 的 10Gbps 高速信号对寄生电容极为敏感。 因此,必须使用超低电容 ESD 保护二极管。 推荐规格
布线指南 ![]() 间距与串扰
LattePanda Mu 载板设计指南系列| HDMI 2.1 本节介绍 LattePanda Mu x86 计算模块在 HDMI 2.1(TMDS 模式)下的接口能力与硬件设计要求,涵盖接口配置、原理图与 PCB 设计要点,确保 4K@60Hz 显示的信号完整性与兼容性。 LattePanda Mu x86 计算模块可通过 DDIB、TCP0 和 TCP1 接口最多派生 3 路 HDMI 输出,最高支持 4K home.php?mod=space&uid=886163 60Hz。 接口配置
注意 设计指南 引脚定义 ![]() AC 耦合与下拉偏置 注意 英特尔的参考设计需要特定的交流耦合+下拉偏置拓扑结构。
![]() 为什么必须使用 470Ω 下拉电阻? 极性检查 HDMI TMDS 差分对 不支持极性反转。 载板上必须严格执行极性匹配。确保正极 (+) 对应正极 (+),负极 (-) 对应负极 (-),如下图所示。 ![]() 电平转换
无 AUX 信号 在 TMDS 模式下运行时,AUX 信号未使用,因此应保持未连接状态。 例如,DDIB 工作在 TMDS 模式时,以下引脚需 NC: ![]() ESD 保护 由于 HDMI 接口经常需要热插拔,因此容易受到静电放电(ESD)的影响。而 TMDS 信号对电容极其敏感,所以必须使用超低电容的 ESD 保护二极管。 ![]() 布局指南 ![]() 间距与串扰
差分对网络长度 以下表格列出了 LattePanda Mu 计算模块的 DDIB、TCP0 和 TCP1 接口的轨道长度。 ![]() ![]() ![]() LattePanda Mu 载板设计指南系列| HSIO 通道复用与 PCIe 架构 本节详细说明 LattePanda Mu x86 计算模块的 HSIO 通道复用与 PCIe 架构,涵盖通道功能分配、PCIe 分叉规则、BIOS 配置限制以及 PCIe 时钟(REFCLK / CLKREQ)的绑定与设计注意事项,帮助载板设计者正确规划高速接口。 LattePanda Mu x86 计算模块从 Intel 处理器引出了 全部 9 条可复用 HSIO(High-Speed I/O)通道。这些通道具有高度灵活性,可根据载板设计需求配置为 USB 3.2、SATA 或 PCIe。 ![]() HSIO 复用规则 基于 Intel 硬件参考设计¹,各 HSIO 通道支持的功能如下:
PCIe 分叉 在 PCIe 模式下,HSIO 通道支持灵活的分叉配置。为便于理解,9 条 HSIO 通道被分为三组: HSIO 0 ~ 3
方案一:HSIO 0+1(x2)+ HSIO 2(x1)+ HSIO 3(x1) 方案二:HSIO 0(x1)+ HSIO 1(x1)+ HSIO 2+3(x2)
HSIO 8 ~ 11
方案一:HSIO 8+9(x2)+ HSIO 10(x1)+ HSIO 11(x1) 方案二:HSIO 8(x1)+ HSIO 9(x1)+ HSIO 10+11(x2)
混合配置 上述分叉规则适用于 整组通道全部用于 PCIe 的情况,但也支持 混合功能配置: 规则:配置为 USB 3.2 或 SATA 的通道将从 PCIe 通道池中移除。剩余通道仍可根据分组逻辑形成有效的 PCIe 链路。 例如: 如果 HSIO 0 和 1 设置为 USB 3.2,则剩余的 HSIO 2 和 3 仍可配置为 1x2 模式(一个 PCIe x2)或 2x1 模式(两个 PCIe x1)。 排他性与限制 HSIO 通道复用是互斥的 ,不支持运行时协议自适应。 固定功能: 一旦在 BIOS 固件中将通道配置为特定功能(例如 USB 3.2),它就固定用于该目的,不能自动切换到其他功能,例如 PCIe。 组依赖性: 在同一 PCIe 组内混合功能(例如,HSIO 0 ~ 3)会破坏 PCIe 链路聚合。 示例
应用配置变更 HSIO 通道分配和 PCIe 链路配置是静态的 。它们无法通过 BIOS 设置菜单进行配置,也不支持自动协商或运行时切换。 要应用更改,您必须按照以下步骤操作: 1.自定义 BIOS 固件以定义新的配置。 2.将更新后的固件重新刷写到 LattePanda Mu 模块(或载板上的闪存芯片)中。 3.然后重启 LattePanda 模块以使更改生效。 示例:(任何 HSIO 或 PCIe 通道拆分配置更改都需要定制 BIOS 固件。以下列出了一些常见示例。)
PCIe 时钟分配与扩展 LattePanda Mu 提供 5 路独立 PCIe REFCLK(参考时钟)。如果您的载板设计需要连接超过 5 个 PCIe 设备,则必须使用 PCIe 时钟扇出缓冲芯片来扩展时钟信号。 警告: 请勿尝试直接将单个时钟信号并行传输至多个设备。这样做会导致信号完整性问题,并最终导致设备识别失败。 CLKREQ 映射与控制 LattePanda Mu 计算模块仅公开两个 PCIe CLKREQ(时钟请求)引脚: CLKREQ3 和 CLKREQ4 。 这些引脚严格控制特定的参考时钟输出:
在默认 BIOS 配置下,对于缺少专用 CLKREQ 引脚的 REFCLK 输出:
时钟与 HSIO 通道绑定关系 BIOS 默认定义了 PCIe 时钟输出 (REFCLK) 和 PCIe 数据通道 (HSIO) 之间的特定绑定。 ![]() REFCLK1 为强制输出,不绑定任何 HSIO。 要修改时钟到通道的映射关系,需要定制的 BIOS 固件。无法通过 BIOS 设置菜单进行更改。 使用默认的 BIOS 固件,但更改载板上的此配对(例如,将 REFCLK 0 路由到 HSIO 8 上的设备)将阻止 PCIe 设备接收正确的时钟信号,从而导致枚举失败。 原因如下:
如果出现这种情况,您可以尝试在 BIOS 菜单中将相应的 REFCLK 设置为强制输出。大多数情况下,设备随后就能被正常识别。 例如,将 REFCLK0 设置为强制输出。
![]() 然后保存 BIOS 设置并重启。 如果上述步骤无法解决问题,则需要定制固件。 _ ¹ Intel® Processor and Intel® Core™ i3 N-Series Datasheet, Volume 1 of 2 _ LattePanda Mu 载板设计指南系列| 风扇 本节介绍 LattePanda Mu x86 计算模块的风扇接口设计与使用规范,涵盖 CPU_FAN 与 SYS_FAN 的 PWM 调速、转速监测机制,以及在载板设计中针对 5V 与 12V 风扇所需的上拉、电平限制与保护电路要求。 LattePanda Mu x86 计算模块提供两组独立的风扇接口,支持 PWM 转速控制和 RPM 转速监测(Tachometer)。其中 CPU_FAN 用于 CPU 散热风扇,SYS_FAN 用于系统或机箱风扇。 设计指南 引脚定义 ![]() PWM 信号 模块的 PWM 输出端已内置 4.7kΩ 上拉至 3.3V,无需在载板上额外上拉,但建议串联 100Ω 电阻进行限流。 转速表信号 TAC 引脚为开漏输入,需要外部上拉电阻和保护电路。其设计会根据风扇电压(5V 或 12V)而有所不同。 注意:所有 TAC 引脚只能承受 5V 电压! 关键设计规则 1.上拉源 :
建议将二极管 (例如 1N4148、1N5819)与上拉电阻并联。
3.层级转换 :
推荐风扇电路 ![]() 5V 风扇:上图中,电阻 R2 可以选择 1K 到 30K 之间的阻值。如果空间有限,也可以省略该电阻。 ![]() 12V 风扇: 上图中,电阻 R4 是分压电路的一部分,用于确保 TAC 输入引脚的电压不超过 5V,因此不可省略 。基于此原理,R2 和 R4 的具体阻值可根据实际情况进行调整。 LattePanda Mu 载板设计指南系列| 自动开机 为了确保 LattePanda Mu 计算模块在通电后自动启动,载板上需要外部硬件电路。
参考电路 ![]() 电路原理 该电路的目的是在电气上模拟按下电源按钮的物理动作。 1.初始化 :载板通电后,电路立即激活。 2.操作 :将 PWR_BTN# (电源按钮)信号拉低特定持续时间(模拟“按下”),从而触发计算模块的启动序列。 3.释放 :延迟后,将 PWR_BTN# 释放回高电平(模拟“释放”)。 JP1 是一个跳线。当 JP1 接通时,自动上电功能启用。 电源要求 自动上电电路的电源必须为 3.3V 待机电压 。也就是说,载板插入主电源后,该 3.3V 电源必须立即工作。 |
萌萌哒新人
活跃会员
编辑选择奖
沪公网安备31011502402448© 2013-2026 Comsenz Inc. Powered by Discuz! X3.4 Licensed