897浏览
查看: 897|回复: 2

[项目] 【花雕动手做】CanMV K230 AI视觉模块之全套详细电原理图

[复制链接]
什么是 CanMV K230?
CanMV 是一套 AI 视觉开发平台,K230 是其核心芯片。该模块结合了图像采集、AI推理、边缘计算等能力,适合嵌入式视觉应用开发。
CanMV:类似 OpenMV 的图像处理框架,支持 Python 编程,简化视觉识别开发流程。
K230 芯片:嘉楠科技推出的 AIoT SoC,采用 RISC-V 架构,内置第三代 KPU(AI加速单元),算力高达 6 TOPS,性能是 K210 的 13.7 倍。

【花雕动手做】CanMV K230 AI视觉模块之全套详细电原理图图2

【花雕动手做】CanMV K230 AI视觉模块之全套详细电原理图图3

【花雕动手做】CanMV K230 AI视觉模块之全套详细电原理图图4

【花雕动手做】CanMV K230 AI视觉模块之全套详细电原理图图1

驴友花雕  高级技神
 楼主|

发表于 2025-10-25 17:53:10

【花雕动手做】CanMV K230 AI视觉模块之全套详细电原理图

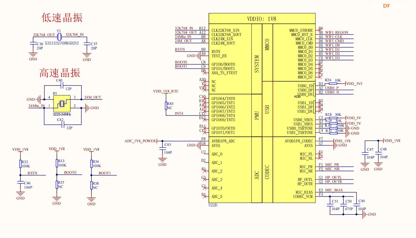
CanMV K230 AI视觉识别模块之 K230 全套详细电原理图(V1.0)

【花雕动手做】CanMV K230 AI视觉模块之全套详细电原理图图2

【花雕动手做】CanMV K230 AI视觉模块之全套详细电原理图图1

【花雕动手做】CanMV K230 AI视觉模块之全套详细电原理图图3

【花雕动手做】CanMV K230 AI视觉模块之全套详细电原理图图4

【花雕动手做】CanMV K230 AI视觉模块之全套详细电原理图图5

【花雕动手做】CanMV K230 AI视觉模块之全套详细电原理图图6

【花雕动手做】CanMV K230 AI视觉模块之全套详细电原理图图7

【花雕动手做】CanMV K230 AI视觉模块之全套详细电原理图图8

【花雕动手做】CanMV K230 AI视觉模块之全套详细电原理图图9

【花雕动手做】CanMV K230 AI视觉模块之全套详细电原理图图10

【花雕动手做】CanMV K230 AI视觉模块之全套详细电原理图图11

【花雕动手做】CanMV K230 AI视觉模块之全套详细电原理图图12

【花雕动手做】CanMV K230 AI视觉模块之全套详细电原理图图14

【花雕动手做】CanMV K230 AI视觉模块之全套详细电原理图图13

【花雕动手做】CanMV K230 AI视觉模块之全套详细电原理图图15

【花雕动手做】CanMV K230 AI视觉模块之全套详细电原理图图17

【花雕动手做】CanMV K230 AI视觉模块之全套详细电原理图图18

【花雕动手做】CanMV K230 AI视觉模块之全套详细电原理图图16

【花雕动手做】CanMV K230 AI视觉模块之全套详细电原理图图19

【花雕动手做】CanMV K230 AI视觉模块之全套详细电原理图图21【花雕动手做】CanMV K230 AI视觉模块之全套详细电原理图图20

【花雕动手做】CanMV K230 AI视觉模块之全套详细电原理图图22
回复

使用道具 举报

驴友花雕  高级技神
 楼主|

发表于 2025-10-25 17:57:17

【花雕动手做】CanMV K230 AI视觉模块之全套详细电原理图

本帖最后由 驴友花雕 于 2025-10-25 18:02 编辑



【花雕动手做】CanMV K230 AI视觉模块之全套详细电原理图图1
回复

使用道具 举报

您需要登录后才可以回帖 登录 | 立即注册

本版积分规则

为本项目制作心愿单
购买心愿单
心愿单 编辑
[[wsData.name]]

硬件清单

  • [[d.name]]
btnicon
我也要做!
点击进入购买页面
上海智位机器人股份有限公司 沪ICP备09038501号-4 备案 沪公网安备31011502402448

© 2013-2026 Comsenz Inc. Powered by Discuz! X3.4 Licensed

mail