580浏览
查看: 580|回复: 5

[项目] 【花雕动手做】6.5寸轮毂电机方案:36V500W无霍尔驱动板

[复制链接]
【花雕动手做】6.5寸轮毂电机方案:36V500W无霍尔驱动板图1

JY01 是上海居逸电子推出的 直流无刷电机(BLDC)专用驱动控制芯片,主打 双模驱动(有霍尔 / 无霍尔)、SPWM 正弦波、外围极简、低成本,适合低功率 BLDC 场景。

一、基本信息
厂商:上海居逸电子(JYKJ)
类型:三相 BLDC 电机驱动控制 IC
封装:SOP‑16
供电:4.5–5.5 V(典型 5 V)
静态电流:≤12 mA(无负载)
工作温度:‑40~+85 ℃

二、核心特性
双模驱动:支持 有霍尔 / 无霍尔 两种模式,通过 Pin1 配置切换
驱动方式:SPWM 正弦脉宽调制,低噪音、高效率
软启动:1S / 3S / 10S 三档可选
控制功能:正反转、软换向、线性调速、转速信号输出
保护机制:过载、堵转、电流闭环、恒流驱动
特有技术:JYKJ 全工况安全启动

三、典型应用场景
小型 BLDC 风扇、水泵、吸尘器、空调风机
滑板车、平衡车、机器人底盘(如 6.5 寸轮毂电机)
汽车电子:燃油泵、车窗、座椅、后视镜调节
手持工具、航模、高端玩具

四、与 6.5 寸轮毂电机适配性
电压:5 V 控制端,需搭配外部功率级(MOS 桥)驱动 12–48 V 电机
模式:优先 有霍尔模式,适合稳定运行、测速需求
定位:属于 方波 / SPWM 入门级驱动方案,适合 DIY、教学、低成本机器人底盘

五、JY01 与主流驱动方案对比(适配 6.5 寸轮毂电机)


【花雕动手做】6.5寸轮毂电机方案:36V500W无霍尔驱动板图2

驴友花雕  高级技神
 楼主|

发表于 2026-2-11 21:08:20

【花雕动手做】6.5寸轮毂电机方案:36V500W无霍尔驱动板

芯片手册:下载地址 http://pan.baidu.com/s/1mgLxELM

JY01A直流无刷电机驱动专用IC,军工品质,工作稳定,防干扰能力强,可用于各种直流无刷电机驱动(无霍尔)

产品特点:

●  军工品质,工作稳定

● 无霍尔直流无刷电机驱动

● 正/反转控制,软切换功能

● 转速调节功能

● 过流保护

● 短路保护

● 欠压保护

● DSP核H_PWM低噪音驱动

● 脉冲转速信号输出

典型应用:

【花雕动手做】6.5寸轮毂电机方案:36V500W无霍尔驱动板图1

回复

使用道具 举报

驴友花雕  高级技神
 楼主|

发表于 2026-2-11 21:26:47

【花雕动手做】6.5寸轮毂电机方案:36V500W无霍尔驱动板

三相直流36V大功率500W无霍尔无刷电机驱动板电调速控制器模块

【花雕动手做】6.5寸轮毂电机方案:36V500W无霍尔驱动板图1

【花雕动手做】6.5寸轮毂电机方案:36V500W无霍尔驱动板图2
回复

使用道具 举报

驴友花雕  高级技神
 楼主|

发表于 2026-2-11 21:30:38

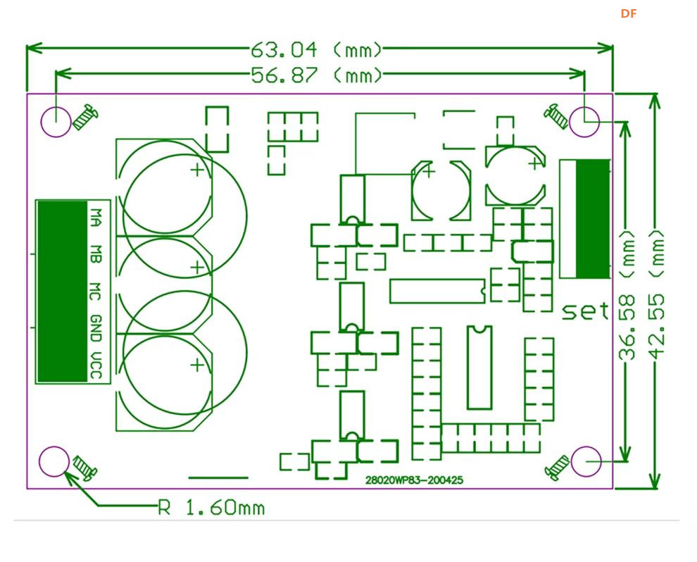
【花雕动手做】6.5寸轮毂电机方案:36V500W无霍尔驱动板

本帖最后由 驴友花雕 于 2026-2-11 21:38 编辑

主要参数:
工作电压:12V-36V
转速信号:有
峰值电流:15A
正反转:有
驱动功率:不大于500W
调速功能:有(PWM调速)


【花雕动手做】6.5寸轮毂电机方案:36V500W无霍尔驱动板图1

【花雕动手做】6.5寸轮毂电机方案:36V500W无霍尔驱动板图2

【花雕动手做】6.5寸轮毂电机方案:36V500W无霍尔驱动板图4

【花雕动手做】6.5寸轮毂电机方案:36V500W无霍尔驱动板图3
回复

使用道具 举报

驴友花雕  高级技神
 楼主|

发表于 2026-2-11 22:01:48

【花雕动手做】6.5寸轮毂电机方案:36V500W无霍尔驱动板

【花雕动手做】6.5寸轮毂电机方案:36V500W无霍尔驱动板图1

【花雕动手做】6.5寸轮毂电机方案:36V500W无霍尔驱动板图3

【花雕动手做】6.5寸轮毂电机方案:36V500W无霍尔驱动板图2

【花雕动手做】6.5寸轮毂电机方案:36V500W无霍尔驱动板图4
回复

使用道具 举报

驴友花雕  高级技神
 楼主|

发表于 2026-2-11 22:03:43

【花雕动手做】6.5寸轮毂电机方案:36V500W无霍尔驱动板

【花雕动手做】6.5寸轮毂电机方案:36V500W无霍尔驱动板图1
【花雕动手做】6.5寸轮毂电机方案:36V500W无霍尔驱动板图3

【花雕动手做】6.5寸轮毂电机方案:36V500W无霍尔驱动板图2

【花雕动手做】6.5寸轮毂电机方案:36V500W无霍尔驱动板图4
回复

使用道具 举报

您需要登录后才可以回帖 登录 | 立即注册

本版积分规则

为本项目制作心愿单
购买心愿单
心愿单 编辑
[[wsData.name]]

硬件清单

  • [[d.name]]
btnicon
我也要做!
点击进入购买页面
上海智位机器人股份有限公司 沪ICP备09038501号-4 备案 沪公网安备31011502402448

© 2013-2026 Comsenz Inc. Powered by Discuz! X3.4 Licensed

mail