| 
 2934| 51
 | [项目] 【Arduino 动手做】构建最简单的 CNC 机床 | DIY 激光雕刻机 | 
| 五、DIY CNC 激光雕刻机电路图 这是需要如何连接所有内容的电路图。 DIY 数控激光雕刻机电路图  您可以自行获取此项目所需的组件: 步进电机 – NEMA 17..................亚马逊 / Banggood / 全球速卖通 DRV8825步进驱动器.....................亚马逊 / Banggood / 全球速卖通 Arduino CNC 扩展板 ............................亚马逊 / Banggood / 全球速卖通 Arduino Uno.........................................亚马逊 / Banggood / 全球速卖通 限位开关 ........................................亚马逊 / Banggood / 全球速卖通 直流电源 ...............................亚马逊 / Banggood / 全球速卖通 激光模块 .....................................亚马逊 / Banggood / 全球速卖通 激光护目镜 ..........................亚马逊 / Banggod / 全球速卖通 因此,我们将 Arduino UNO 板与一个 CNC 扩展板和两个 DRV8825 或 A4988 步进驱动器结合使用。我们有两个用于归位机器的微型限位开关和一个可以 PWM 控制的 12V 激光模块。为了供电,我们需要 12v 电源,最小电流为 3 安培。 | 
| 所以,20/31 = 0.645,如果我们将该值乘以 250,我们将得到 161.29。所以,这就是我们应该为机器设置的 steps/mm 值的值。 如何调整 GRBL CNC 机床的每毫米步数参数  如果我们现在尝试使用更新的值移动机器,机器应该移动确切的距离。如果您对结果不满意,您仍然可以通过绘制正方形并测量它们来微调这些值。我最终使用了 160 步/毫米的值。 尽管如此,还有其他重要参数也需要调整。例如,我们应该启用硬限制,这是实际的限位开关,软限制,定义工作区域,设置归位方向,定义限位开关在机器上的位置,等等。 您可以下载我的参数集,以便将它们导入到您的固件中。 此 CNC 机床的 GRBL 配置参数(见下载) | 
| 在本教程中,我将向您展示如何用尽可能少的零件构建最简单的 CNC 机器,并且不使用 3D 打印机。没错。在我最近的大多数项目中,我一直在使用 3D 打印机,当然,因为它们非常适合原型制作,因为我们可以用它们轻松制作任何我们想要的形状。然而,并不是每个人都有 3D 打印机,所以我想向你展示,即使没有 3D 打印机或其他 CNC 机器的帮助,我们也可以制造东西。 目录 1、概述 2、DIY CNC 激光雕刻机 3D 模型 中央安装板图 3、组装机器 4、连接电子元件 5、DIY CNC 激光雕刻机电路图 6、固件和控制软件 此 CNC 机床的 GRBL 配置参数 7、生成用于激光雕刻的 G 代码 灰度和字体大小测试  | 
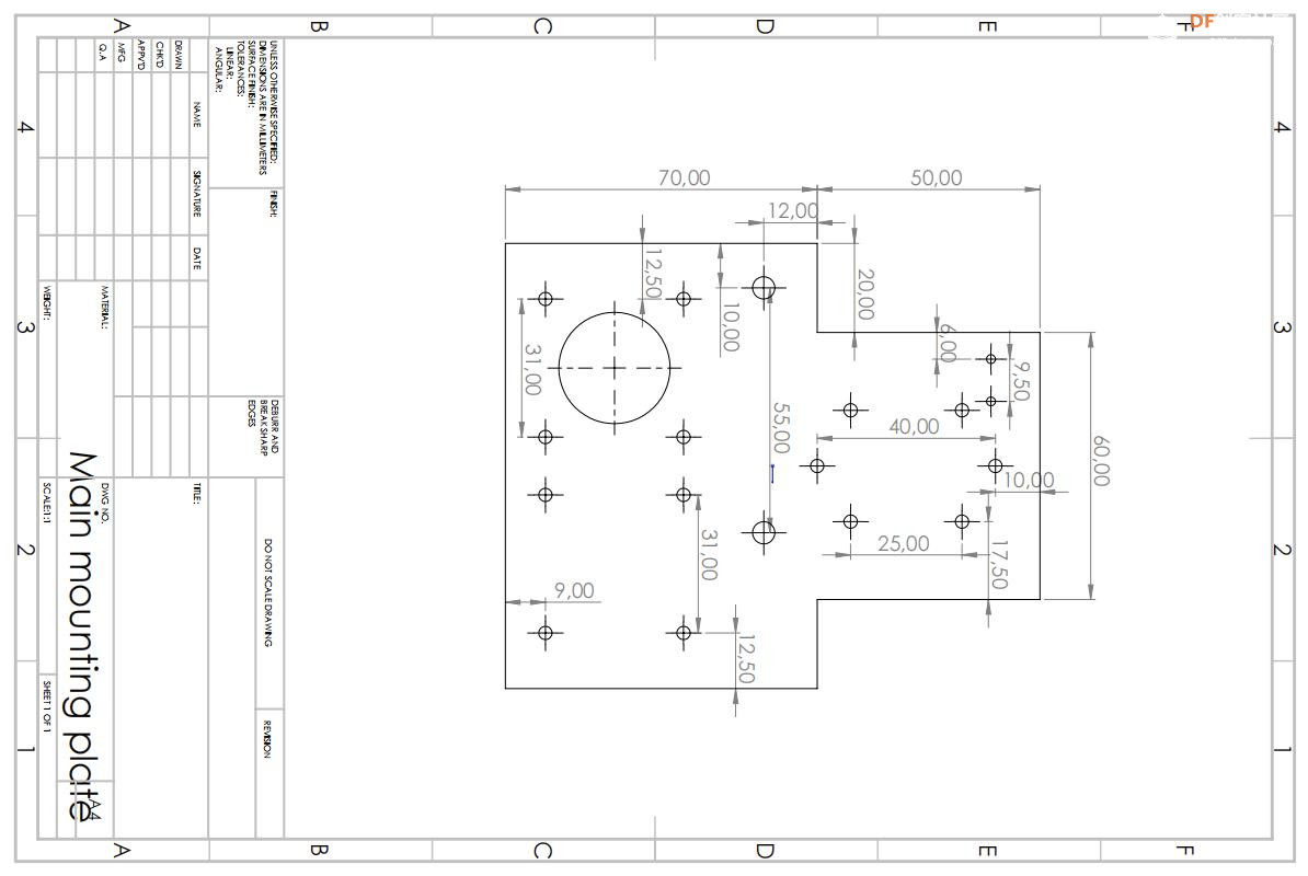
| 这台 CNC 机器的大脑是 Arduino UNO 板与 CNC 盾牌的组合,但有关此的更多详细信息以及如何准备用于激光雕刻的图纸或图像、制作 G 代码和使用免费的开源程序控制机器,稍后将在视频中介绍。 二、DIY CNC 激光雕刻机 3D 模型 我首先使用 SOLIDWORKS for Makers 设计机器。这台 CNC 机床的两个主要部件是这些 MGN15H 直线导轨及其合适的滑块。 为了驱动滑车或两个轴,我们使用了两个 NEMA 17 步进电机和一些合适的 GT2 皮带轮和同步带。为了将所有东西连接在一起,我们使用 8 毫米 MDF 板,为了归位机器,两个微型限位开关。  | 
| 三、组装机器 好了,现在我们可以开始构建机器了。以下是组装此 DIY CNC 机器所需的组件列表。电子元件的列表可以在本文的电路图部分找到。 MGN15H 直线导轨..............................亚马逊 / Banggood / 全球速卖通 步进电机 – NEMA 17 ................亚马逊 / Banggood / 全球速卖通 GT2 皮带 + 齿轮........................亚马逊 / Banggood / 全球速卖通 GT2 惰轮 .......................................亚马逊 / Banggood / 全球速卖通 垫片螺母 ..........................................亚马逊 / Banggood / 全球速卖通 螺栓和螺母套件 .................................Amazon / Banggood / AliExpress 或从当地五金店 + 平头螺丝 3x16mm M2x20 x2、M3x12 x20、M3x16 x6、M5x25 x5、3x16mm 螺丝 x20  | 
 沪公网安备31011502402448
 沪公网安备31011502402448© 2013-2025 Comsenz Inc. Powered by Discuz! X3.4 Licensed